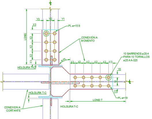
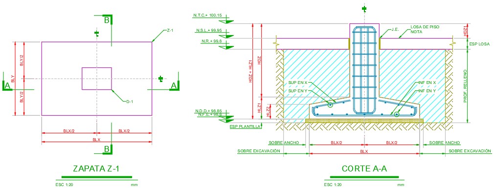
detalles estructurales
con la aplicación EAS-DA.
Procesos
Tiempo
Eficiente
desde Excel para crear
detalles estructurales.
de dibujos completos
tiempo
tu labor

EAS-DA Aplicación para Dibujo Automatizado de elementos estructurales.
Es una herramienta computacional que apoya a la comunidad de ingenieros civiles, arquitectos y estructuristas para desarrollar sus proyectos en las partes que implican la realización de tareas repetitivas de una forma profesional, fácil y rápida.
Automatización de tareas en proyectos de ingeniería estructural
EAS-DA es una herramienta para la automatización de tareas en proyectos de ingeniería estructural, como generación automática de modelos estructurales, extracción de resultados y generación de detalles estructurales (Excel-AutoCAD).
- Profesional
- Fácil
- Rápido
- Ahorra tiempo
- Mayor eficiencia
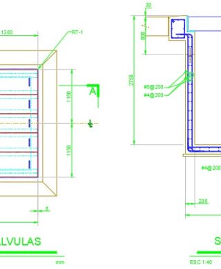
- Trabes
- Columnas
- Losas
- Zapatas
- Muros
¿Qué es
esta aplicación?
Es un archivo “.exe” que al abrirlo muestra un libro de Excel. Fuera de la prueba gratuita, para poder usarlo es necesario contar con un archivo de licencia ubicado en la misma carpeta que el archivo “.exe”.
Este archivo de licencia es único para cada computadora ya que es generado a partir de su ID (de la computadora) y hace que la aplicación se pueda utilizar exclusivamente en ese equipo. La licencia funciona por tiempo ilimitado para el mismo equipo de cómputo.
Funcionamiento de
EAS-DA
Es una aplicación que tiene por objetivo la automatización de dibujos completos o parciales en AutoCAD a partir de parámetros que se pueden ingresar y calcular desde el programa Excel.

Preguntas Frecuentes
La aplicación que aquí se promueve es un archivo “.exe” que al abrirlo muestra un libro de Excel. Fuera de la prueba gratuita, para poder usarlo es necesario contar con un archivo de licencia ubicado en la misma carpeta que el archivo “.exe”. Este archivo de licencia es único para cada computadora ya que es generado a partir de su ID (de la computadora) y hace que la aplicación se pueda utilizar exclusivamente en ese equipo. La licencia funciona por tiempo ilimitado para el mismo equipo de cómputo.
El archivo EAS-DA está limitado para usarse con una versión específica de AutoCAD, por lo que si es necesario usar una versión más actual de AutoCAD será necesario descargar el archivo EAS-DA específico para esa nueva versión. Se podrá descargar una nueva versión de EAS-DA y será necesario pasar los detalles que se hayan generado en el archivo anterior al nuevo, el cual estará actualizado con los detalles mejor valorados por la comunidad.
No es posible acceder a las macros contenidas en el editor de VBA, así como no es posible escribir nuevos macros o cambiar las referencias.
Al pagar por la aplicación tendrás un usuario y contraseña con lo que podrás:
Escribir en el blog de la comunidad donde intercambiaremos opiniones sobre formas de organizar la información, los objetos y métodos que creemos que hacen falta y comentarios donde compartamos nuestra experiencia de porqué un elemento o conexión estructural debería ser de cierta forma, ya sea por proceso constructivo, para ahorrar tiempo en obra o requisitos de clientes específicos.
Compartir detalles elaborados por uno mismo a los demás miembros de la comunidad y calificar los detalles que otros miembros compartan.
Podrás descargar el archivo más reciente con los nuevos objetos y métodos que se vayan agregando a la aplicación
Our Selling Product




Blog de Comunidad
EAS-DA
Este espacio está creado con el objetivo de apoyarnos en nuestra labor profesional, por lo que se espera un comportamiento profesional como el que se tendría entre colegas o con un cliente.

Columna A: índice de Pestañas

Explicación de las claves «Key» y la necesidad de un Key-END

Interfaz gráfica de la Aplicación

Bienvenida y Descripción General de la Aplicación



































































